·返回首页 │·中文版│·English  
 
用户名:


@

密  码:
     真空辅助开关
ZKF2系列
ZKF1系列
YCF1系列
     F系列辅助开关
     FK10系列辅助开关
     NK系列辅助开关
     微动开关
     凸轮式系列辅助开关
     辅助触头
     操动机构塑料件
     接连头.连接片.连接杆
 
 
XH241

一、用途:
      本产品主要用于各种高压断路器,高压隔离开关的操动机构上的控制回路中的合闸、分闸、联锁、信号的控制。亦可用作转换开关、组合开关使用。

二、使用条件
      1、海拔高度不超过3000米;
      2、周围环境温度-40℃~+40℃;
      3、相对湿度:日平均值不大于95%,月平均值不大于90%;
      4、振动加速度不大于15米/秒2
      5、周围介质无爆炸危险,无火灾,无尘埃,无破坏绝缘及足以腐蚀金属气体的场所。

三、辅助开关主要技术参数:


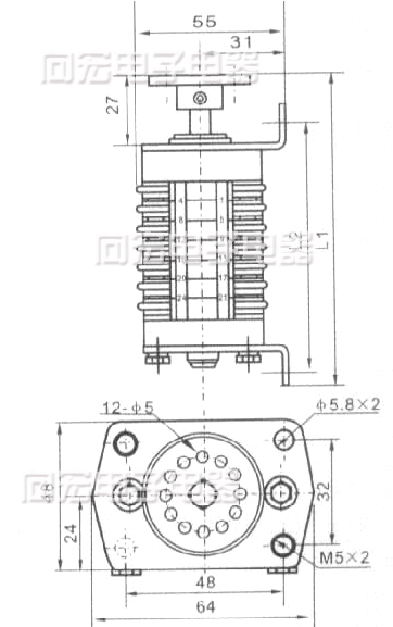
四、安装尺寸






五、订货须知
    订货时请注明:
    a.产品名称、型号(包括触头对数或开关节数、型式和安装方式);
    b.各种型号的数量;
    c.要否操动拐臂;
    d.触头要否延时。

Copyright © 浙江向宏电子电器有限公司. All Right Reserved. 后台登录 浙ICP备06011356号-1 制作维护:传信网络
电话:0577-62626111  传真:0577-62620909  QQ:1124157462  地址:浙江省乐清市象阳镇大漠村象阳路2801号
Http://www.cnxhele.com https://cnxhele.1688.com E-mail: xh_ascn@hotmail.com  xh@cnxhele.com